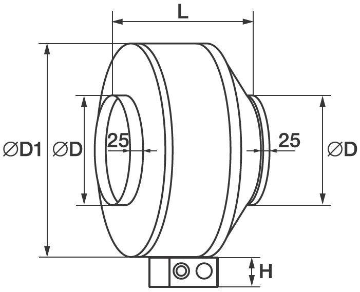
Shuft (Шафт) TUBE 100XL представляет собой модель круглого вентилятора канального типа предназначенного для обслуживания различных помещений. Одним из основных преимуществ модели является компактный корпус, благодаря которому устройство легко монтируется в воздушном патрубке. При помощи однофазного регулятора скорости вращения вентилятора можно управлять сразу несколькими устройствами.
Особенности и преимущества:
- Рабочее колесо установлено методом напрессовки непосредственно на ротор электродвигателя. Электродвигатель с рабочим колесом статически и динами-чески сбалансированы.
- Шариковые подшипники двигателя не требуют техобслуживания
- Двигатели имеют встроенное термореле с автоматическим перезапуском
- Прочный корпус из оцинкованной стали.
- Высокоэффективная крыльчатка с загнутыми назад лопатками.
- Высококачественные двигатели с внешним ротором IP 44.
- Регулирование скорости в диапазоне от 0 до 100% путем изменения напряжения (тиристорные или автотрансформаторные регуляторы).
- Разъемный корпус обеспечивает легкость обслуживания.
- Встроенная термозащита.
- Установка в любом положении.
Круглые канальные вентиляторы Shuft серии TUBE отличаются удобством монтажа и использования. Высокопрочные корпуса моделей изготовлены из качественной и износостойкой оцинкованной стали, устойчивой к воздействию окружающей среды. Каждая модель из представленной серии оснащена шарикоподшипниками, не требующими обслуживания.
|
Производитель
|
Дания |
|
Страна
|
Дания |
|
Max расход воздуха, м³ /ч
|
230 |
|
Max располагаемый напор, Па
|
340 |
|
Номинальная потребляемая мощность, Вт
|
58 |
|
Сила тока, А
|
0,24 |
|
Max t, °C
|
60 |
|
Min t, °C
|
-30 |
|
Диапазон рабочих t, C
|
-30…+60 |
|
Степень защиты IP
|
IPX4 |
|
Присоединительный ø, мм
|
100 |
|
Форма
|
Круглая |
|
Частота вращения, 1/мин
|
2580 |
|
Напряжение, В
|
220 |
|
Уровень шума, дБа
|
40 |
|
Габариты (ВхШхГ), мм
|
245x290x205 |
|
Производитель
|
Дания |
|
Напряжение, В
|
220 |
|
Уровень шума, дБа
|
40 |
|
Габариты (ВхШхГ), мм
|
245x290x205 |
|
Высота, см
|
24,5 |
|
Ширина, см
|
29 |
|
Глубина, см
|
20,5 |
|
Вес, кг
|
3 |
|
Гарантия
|
1 год |
|
Код производителя
|
НС-0006546 |
Для покупки товара в нашем интернет-магазине выберите понравившийся товар и добавьте его в корзину. Далее перейдите в Корзину и нажмите на «Оформить заказ» или «Быстрый заказ».
Когда оформляете быстрый заказ, напишите ФИО, телефон и e-mail. Вам перезвонит менеджер и уточнит условия заказа. По результатам разговора вам придет подтверждение оформления товара на почту или через СМС. Теперь останется только ждать доставки и радоваться новой покупке.
Оформление заказа в стандартном режиме выглядит следующим образом. Заполняете полностью форму по последовательным этапам: адрес, способ доставки, оплаты, данные о себе. Советуем в комментарии к заказу написать информацию, которая поможет курьеру вас найти. Нажмите кнопку «Оформить заказ».
Оплачивайте покупки удобным способом. В интернет-магазине доступно 3 варианта оплаты:
- Наличные при самовывозе или доставке курьером. Специалист свяжется с вами в день доставки, чтобы уточнить время и заранее подготовить сдачу с любой купюры. Вы подписываете товаросопроводительные документы, вносите денежные средства, получаете товар и чек.
- Безналичный расчет при самовывозе или оформлении в интернет-магазине: карты Visa и MasterCard. Чтобы оплатить покупку, система перенаправит вас на сервер системы ASSIST. Здесь нужно ввести номер карты, срок действия и имя держателя.
- Электронные системы при онлайн-заказе: PayPal, WebMoney и Яндекс.Деньги. Для совершения покупки система перенаправит вас на страницу платежного сервиса. Здесь необходимо заполнить форму по инструкции.
Экономьте время на получении заказа. В интернет-магазине доступно 3 варианта доставки:
- Курьерская доставка работает с 9.00 до 19.00. Когда товар поступит на склад, курьерская служба свяжется для уточнения деталей. Специалист предложит выбрать удобное время доставки и уточнит адрес. Осмотрите упаковку на целостность и соответствие указанной комплектации.
- Самовывоз из магазина. Список торговых точек для выбора появится в корзине. Когда заказ поступит на склад, вам придет уведомление. Для получения заказа обратитесь к сотруднику в кассовой зоне и назовите номер.
- Доставка с помощью транспортной компании. Менеджеры нашего интернет-магазина подберут для вас приемлимые тарифы на доставку интересующих вас товаров как до терминала в вашем родном городе, так и непосредственно до дверей вашего дома. Обращайтесь за помощью к квалифицированным специалистам нашей компании.











